Click or tap image to expand
Fluoropolymer (PTFE) Nine-Element Over-the-Side Heater (TMT08)
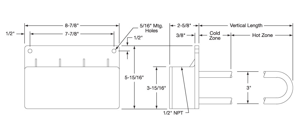
(PTFE) 9-Element OTS Heater Compatible with most plating tank solutions; inert to acids, anodizing and pickling solutions up to 190°F (88°C). and with chemical supplier for proper sheath material selection. Replaces more expensive alumina or graphite heaters.
- T1 thermal fuse protection standard; T2 bi-metal switch optional
- Grounded internal metal element for safety
- Vapor-tight polypropylene terminal enclosure with universal mounting flange
- Standard 3-ft. flexible PVC liquid-tight conduit
- 240, 480 volts standard as listed — other voltages available
- Longer lengths available; consult Tempco
Resources & Part Numbers


Note: Guards are recommended for all fluoropolymer heaters. Standard guards are made of polypropylene. Fluoropolymer (PTFE) guards are available for chromic acid and temperatures above 180°F (82°C).

