Click or tap image to expand
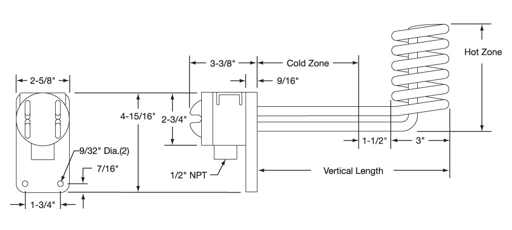
Fluoropolymer (PTFE) Single-Element L-Shaped Coil Heater (TMT02)
(PTFE) 1-Element L-Shaped Coil Heater Compatible with most plating tank solutions; inert to acids, anodizing and pickling solutions up to 190°F (88°C). and with chemical supplier for proper sheath material selection. Replaces more expensive alumina or graphite heaters.
- T1 thermal fuse protection standard; T2 bi-metal switch optional
- Grounded internal metal element for safety
- Vapor-tight polypropylene terminal enclosure with universal mounting flange
- Standard 3-ft. flexible PVC liquid-tight conduit
- 120, 240, 480 volts standard as listed — other voltages available
- Longer and shorter vertical lengths available; consult Tempco



