Click or tap image to expand
Panel Jacks & Accessories
Panels are normally supplied unassembled with all necessary hardware to assembly and install included. Can be furnished completely assembled at an additional cost.
- Thermocouple and RTD Selector Switch
- Panel Jacks
Thermocouple and RTD Selector Switch
Design Features:
- Available in standard and miniature sizes (2-pin only)
- Used where individual jacks are required to fit in standard electrical knockouts
- Standard jack fits in 3/4″ (1-1/8″ dia.) electrical knockout
- Miniature jack fits in 1/2″ (7/8″ dia.) electrical knockout
- Jacks are ANSI color coded with a temperature rating of 350°F (177°C) continuous and 400°F (204°C) intermittent
- Both the standard and miniature jacks install from the front of the panel with no additional hardware required.
| Number of Positions | Circuit Type | Dimensions Reference | Part Number |
|---|---|---|---|
| 6 | 2-Pole Break Before Make | A | TCA-124-101 |
| 10 | A | TCA-124-102 | |
| 12 | 2-Pole Make Before Break | A | TCA-124-103 |
| 18 | A | TCA-124-104 | |
| 20 | A | TCA-124-105 | |
| 24 | 2-Pole Make Before Break | B | TCA-124-106 |
| 36 | B | TCA-124-107 | |
| 6 | 3-Pole Make Before Break | B | TCA-124-108 |
| 12 | B | TCA-124-109 | |
| 18 | B | TCA-124-110 | |
| 24 | B | TCA-124-111 |
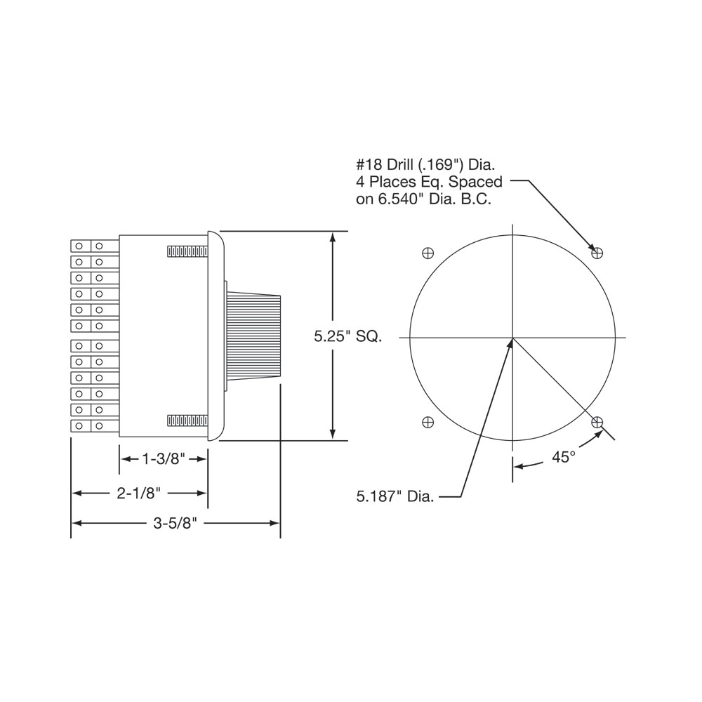
Circular Panel Jacks
Design Features
- Available in 6 to 36 positions
- 2-pole and 3-pole circuits with “OFF” position
- Silver-plated blades and contacts with self-cleaning wiper action and low contact resistance
- Terminals are silver-plated brass with numbered circuits and polarity identification
- “OFF” position has terminals available for shorting input circuit when using it with a digital meter (not available on 3-pole)
- High-impact GE Noryl™ case.
| ANSI Calibration | Body Color | Part Number | |
|---|---|---|---|
| Standard | Miniature | ||
| J | Black | TCA-102-167 | TCA-102-174 |
| K | Yellow | TCA-102-168 | TCA-102-175 |
| T | Blue | TCA-102-169 | TCA-102-176 |
| E | Purple | TCA-102-170 | TCA-102-177 |
| R/S | Green | TCA-102-171 | TCA-102-178 |
| U* | White | TCA-102-172 | TCA-102-179 |
| N | Orange | TCA-102-173 | — |






